

浙江以诺电气有限公司,深耕电力行业二十余载,专业致力于35kV及以下输变电智能电力设备研发、生产、销售及数智化电力运维服务。
联系热线:188-678-10666
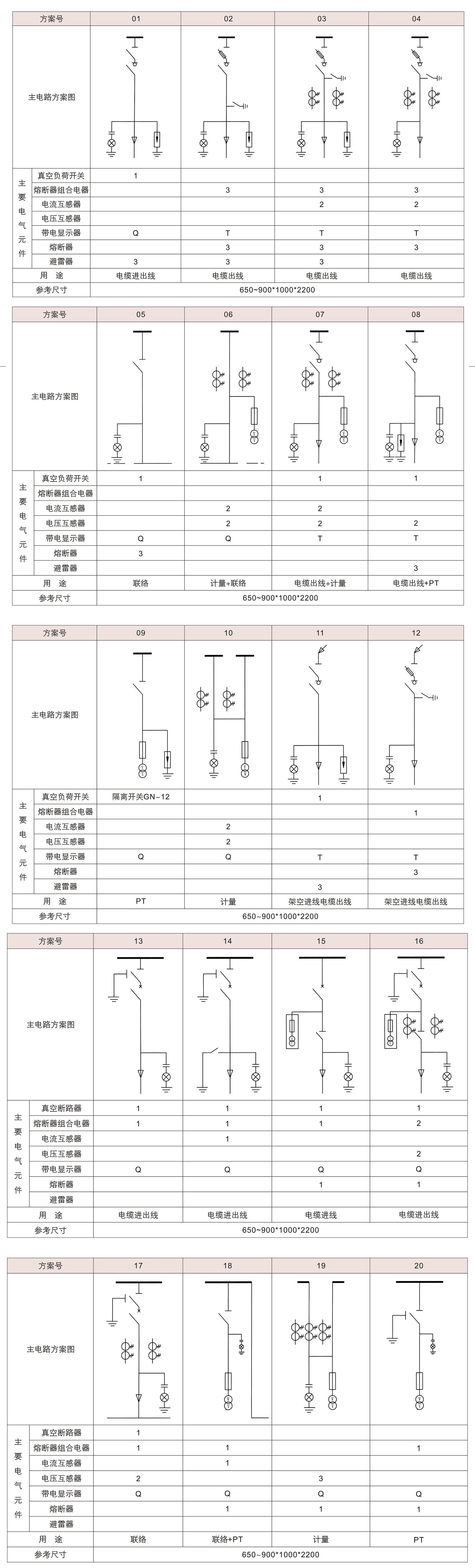
HXGN口-12系列金属封闭真空环网开设备,是以诺电气根据我国各区域配电网络特点和城市配网网电缆化改造的实际情况,开发、生产的新型开关设备。
HXGN口-12系列金属封闭真空环网开设备在供电系统中作为开断负荷电流和短路电流以及关合短路电流之用,适用于交流3- 10kV、50Hz的配电系统中,被广泛的应用于工业园区、居民区、街道、机场、各种建筑物、繁华商业中心等场所;作为环网供电单元和终端设备,起着电能的分配、控制和电气设备的保护作用,也可装在预装变电站中。本环网柜配用真空负荷开关,真空断路器,成套性强,具有可靠的五防功能。
环境温度最高温度+50℃,最低温度-40℃,最高日平均温度不超过35℃;
相对湿度日平均值不超过95%,月平均值不超过90%;
风速不超过35m/s;
污秽等级Ⅱ级;
地震烈度 8级;
地面倾斜度不大于3度;
安装地点:安装在没有火灾,爆炸或者剧烈震动、通风良好、无腐蚀性气体的场所。
如果涉及特殊恶劣条件,请务必向公司咨询。
GB1984-2003高压交流断路器
GB1985-2005高压交流隔离开关和接地开关
GB3804-2004 3.6kV-40.5kV高压交流负荷开关(IEC60265)
GB16926-2009交流高压负荷开关熔断器组合电器(1EC60420) GB3906-2006 3.6kV-40.5kV交流金属封闭开关设备和控制设备
GB/T11022-2011高压开关设备和控制设备标准的共用技术要求(1EC60694)
GB4208-2008外壳防护等级(1EC60529) DL/T 404 3.6kV-40.5kV交流金属封闭开关设备和控制设备
Q/CSG10012中国南方电网城市配电网技术导则
国家电网公司物资采购标准-12kV、24kV环网柜通用技术规范。